Управление светом и вытяжкой в санузле, умное, но без Умного Дома - «Умный Дом и решения» » Умный Дом и решения
Управление светом и вытяжкой в санузле, умное, но без Умного Дома - «Умный Дом и решения»
Что такое Умный дом — это система домашних устройств, связанных между собой и выполняющих действия по команде человека или даже без его участия, по расписанию или сигналу от датчика. Некоторые умные дома управляются через приложения и голосом через умные колонки, другие — с помощью отдельных устройств. Задачи тоже могут быть разными: повысить комфорт, сэкономить время или обеспечить безопасность..

Новинки / Производитель / Смарт.ТВ / Умный Дом и решения / СТАТЬИ / Умное Реле

Управление светом и вытяжкой в санузле, умное, но без Умного Дома - «Умный Дом и решения»

  • Тихон
  • 17-июн-2019, 20:44
  • 0 комментариев
  • 2 383 просмотров

В квартире нет никакой системы Умный Дом, нет центрального контроллера или программируемых реле. Задача управления санузлом стоят так:

  • Свет включается по датчику движения, выключается через определённое время неактивности датчика
  • Вытяжной вентилятор санузла включается сразу или почти сразу при включении света, а выключается после выключения света, с задержкой
  • Есть выключатель, который позволяет отключить автовыключение света при неактивности

То есть, мы хотим, чтобы свет включался сам и выключался тоже сам, вытяжка включалась и выключалась сама, работая некоторое время после покидания санузла. Но мы могли, нажав на кнопку, запретить отключение света при отсутствии движения.

Задача решается не очень сложно, но придётся немного подумать над схемой. Используем блок БЗТ-300-СУ. Это таймер для санузла фирмы Ноолайт (Белоруссия). Он включает вентилятор вытяжки через 30 секунд после включения света и отключает вытяжку через 5 минут после выключения света. Обнаруживает включение света он по появлению питания 230 вольт на контактах, которых надо подключить вместе с лампами. А на сам модуль питание подаётся постоянно, он же должен крутить вытяжку и при отсутствии света.

Вот схема его подключения из инструкции:

Управление светом и вытяжкой в санузле, умное, но без Умного Дома - «Умный Дом и решения»

А вот сам модуль:

Нам надо придумать только, как добавить в схему датчик движения, и куда это всё спрятать. Датчик движения подойдёт любой для управления освещением. Например, вот популярный встраиваемый в потолок датчик, который легко найти на Али либо в магазинах:

У датчика есть контакты L (фаза), N (ноль) и L’ (фаза, которая появляется при срабатывании датчика). На датчике обычно есть две крутилки под отвёртку: время включения света и освещённость. Освещённость там не очень нужна (если у вас в санузле нет окна с естественным светом), а таймер можно выставить минут на 5.

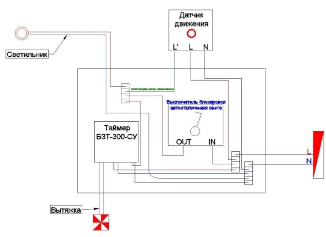
Получаем такую схему подключения элементов:

Можно попробовать разместить блок управления либо в подрозетнике за выключателем (нужен глубокий подрозетник и будет тесновато), либо за светильником в потолке, тут как удобнее.

В схеме есть ещё три клеммника, их тоже надо разместить. У таймера средние контакты для постоянно присутствующих 230 вольт, правые для индикации питания от лампочки. Выключатель подключен так, что при нажатии он вместо датчика движения будет постоянно подавать питания на свет.

Схема достаточно удобная и простая. Гораздо лучше, чем вытяжка на отдельном выключателе или вместе со светом. Надо только запомнить назначение выключателя, так как, на первый взгляд, он ничего не делает, так как ничего не происходит при нажатии.

Если хочется реализовать более сложную логику работы, то надо смотреть в сторону программируемых реле, я писал статью про это. Там можно будет сделать и периодическое проветривание, и регулируемое время включения света и вытяжек.


В квартире нет никакой системы Умный Дом, нет центрального контроллера или программируемых реле. Задача управления санузлом стоят так: Свет включается по датчику движения, выключается через определённое время неактивности датчика Вытяжной вентилятор санузла включается сразу или почти сразу при включении света, а выключается после выключения света, с задержкой Есть выключатель, который позволяет отключить автовыключение света при неактивности То есть, мы хотим, чтобы свет включался сам и выключался тоже сам, вытяжка включалась и выключалась сама, работая некоторое время после покидания санузла. Но мы могли, нажав на кнопку, запретить отключение света при отсутствии движения. Задача решается не очень сложно, но придётся немного подумать над схемой. Используем блок БЗТ-300-СУ. Это таймер для санузла фирмы Ноолайт (Белоруссия). Он включает вентилятор вытяжки через 30 секунд после включения света и отключает вытяжку через 5 минут после выключения света. Обнаруживает включение света он по появлению питания 230 вольт на контактах, которых надо подключить вместе с лампами. А на сам модуль питание подаётся постоянно, он же должен крутить вытяжку и при отсутствии света. Вот схема его подключения из инструкции: А вот сам модуль: Нам надо придумать только, как добавить в схему датчик движения, и куда это всё спрятать. Датчик движения подойдёт любой для управления освещением. Например, вот популярный встраиваемый в потолок датчик, который легко найти на Али либо в магазинах: У датчика есть контакты L (фаза), N (ноль) и L’ (фаза, которая появляется при срабатывании датчика). На датчике обычно есть две крутилки под отвёртку: время включения света и освещённость. Освещённость там не очень нужна (если у вас в санузле нет окна с естественным светом), а таймер можно выставить минут на 5. Получаем такую схему подключения элементов: Можно попробовать разместить блок управления либо в подрозетнике за выключателем (нужен глубокий подрозетник и будет тесновато), либо за светильником в потолке, тут как удобнее. В схеме есть ещё три клеммника, их тоже надо разместить. У таймера средние контакты для постоянно присутствующих 230 вольт, правые для индикации питания от лампочки. Выключатель подключен так, что при нажатии он вместо датчика движения будет постоянно подавать питания на свет. Схема достаточно удобная и простая. Гораздо лучше, чем вытяжка на отдельном выключателе или вместе со светом. Надо только запомнить назначение выключателя, так как, на первый взгляд, он ничего не делает, так как ничего не происходит при нажатии. Если хочется реализовать более сложную логику работы, то надо смотреть в сторону программируемых реле, я писал статью про это. Там можно будет сделать и периодическое проветривание, и регулируемое время включения света и вытяжек.

Цитирование статьи, картинки - фото скриншот - Rambler News Service.
Иллюстрация к статье - Яндекс. Картинки.
Есть вопросы. Напишите нам.
Общие правила  поведения на сайте.
В квартире нет никакой системы Умный Дом, нет центрального контроллера или программируемых реле. Задача управления санузлом стоят так: Свет включается по датчику движения, выключается через определённое время неактивности датчика Вытяжной вентилятор санузла включается сразу или почти сразу при включении света, а выключается после выключения света, с задержкой Есть выключатель, который позволяет отключить автовыключение света при неактивности То есть, мы хотим, чтобы свет включался сам и выключался тоже сам, вытяжка включалась и выключалась сама, работая некоторое время после покидания санузла. Но мы могли, нажав на кнопку, запретить отключение света при отсутствии движения. Задача решается не очень сложно, но придётся немного подумать над схемой. Используем блок БЗТ-300-СУ. Это таймер для санузла фирмы Ноолайт (Белоруссия). Он включает вентилятор вытяжки через 30 секунд после включения света и отключает вытяжку через 5 минут после выключения света. Обнаруживает включение света он по появлению питания 230 вольт на контактах, которых надо подключить вместе с лампами. А на сам модуль питание подаётся постоянно, он же должен крутить вытяжку и при отсутствии света. Вот схема его подключения из инструкции: А вот сам модуль: Нам надо придумать только, как добавить в схему датчик движения, и куда это всё спрятать. Датчик движения подойдёт любой для управления освещением. Например, вот популярный встраиваемый в потолок датчик, который легко найти на Али либо в магазинах: У датчика есть контакты L (фаза), N (ноль) и L’ (фаза, которая появляется при срабатывании датчика). На датчике обычно есть две крутилки под отвёртку: время включения света и освещённость. Освещённость там не очень нужна (если у вас в санузле нет окна с естественным светом), а таймер можно выставить минут на 5. Получаем такую схему подключения элементов: Можно попробовать разместить блок управления либо в подрозетнике за выключателем (нужен глубокий подрозетник и будет тесновато), либо за светильником в потолке, тут как удобнее. В схеме есть ещё три клеммника, их тоже надо разместить. У таймера средние контакты для постоянно присутствующих 230 вольт, правые для индикации питания от лампочки. Выключатель подключен так, что при нажатии он вместо датчика движения будет постоянно подавать питания на свет. Схема достаточно удобная и простая. Гораздо лучше, чем вытяжка на отдельном выключателе или вместе со светом. Надо только запомнить назначение выключателя, так как, на первый взгляд, он ничего не делает, так как ничего не происходит при нажатии. Если хочется реализовать более сложную логику работы, то надо смотреть в сторону программируемых реле, я писал статью про это. Там можно будет сделать и периодическое проветривание, и регулируемое время включения света и вытяжек.


Комментарии (0)
img
Три новых продукта от Sonos: ARC, FIVE, SUB - «Умный Дом и решения»

У Sonos снова новинки. Последний раз новые продукты появлялись в сентябре 2019 года, это были Move (переносная портативная уличная колонка с

Категории сайта
Разное

Производитель и новинки производства

Это не только возможность управлять лампочкой со смартфона, а слаженная, незаметная для Вас, работа всех систем дома как инструментов в оркестре.

       
img
Производитель / Zigbee / Aqara / Новинки / Умные Решения
Aqara выпустила новый термостат с поддержкой Matter - «Умный Дом и решения»

Aqara выпустила термостат Thermostat Hub W200. Это первый термостат компании, который разработан для рынка Северной Америки. Устройство объединяет

img
Новинки / Умный Дом и решения / Производитель / Умная Лампочка / Бренд / Смарт.ТВ / Zigbee / СБЕР / Умные Решения / Умное Реле
Умный дом EKF: всё, что нужно для автоматизации и безопасности жилья - «Умный Дом и решения»

Сегодня мы расскажем вам об «Умном доме» бренда EKF. Раньше мы уже делали пару обзоров умных гаджетов этого бренда, но с тех пор у них появились

img
Производитель / Новинки / Умные Решения
Представлен Matter 1.5.1 для камер. Что нового? - «Умный Дом и решения»

Альянс стандартов подключения (CSA) выпустил небольшое обновление спецификации - Matter 1.5.1. Апдейт улучшает недавно представленные функции из

img
Новинки / Xiaomi / Смарт.ТВ / Производитель / Умный Дом и решения / Умные Решения
Xiaomi показала домашнюю камеру с 12-кратным зумом и функцией ночного видения - «Умный Дом и решения»

Компания Xiaomi представила новую камеру Smart Camera 4 Max AI Zoom Edition. По мнению разработчиков, устройство является самой продвинутой умной

img
Новинки / Бренд / Sprut.hub / Умный Дом и решения / Производитель / Смарт.ТВ
Обновление программного обеспечения Wirenboard wb-2602 - «Умный Дом и решения»

Кажется неинтересным просто переписывать новости разработки с сайта Wirenboard, но в этом обновлении столько классного, что я хотел бы это сделать.

img
Новинки / Смарт.ТВ / Xiaomi / Производитель / Умный Дом и решения / Умные Решения
Домашняя камера Smart Camera 4 Max AI Zoom Edition от Xiaomi выглядит просто потрясающе - «Умный Дом и решения»

Xiaomi представила новую камеру для домашнего видеонаблюдения — Smart Camera 4 Max AI Zoom Edition с функцией ночного зрения. Устройство выделяется

  • Ford
  • 3-04-2026, 11:05
  • 14
Top.Mail.Ru