Умный Дом в квартире-студии на EasyHomePLC, проект кабелей - «Умный Дом и решения» » Умный Дом и решения
Умный Дом в квартире-студии на EasyHomePLC, проект кабелей - «Умный Дом и решения»
Что такое Умный дом — это система домашних устройств, связанных между собой и выполняющих действия по команде человека или даже без его участия, по расписанию или сигналу от датчика. Некоторые умные дома управляются через приложения и голосом через умные колонки, другие — с помощью отдельных устройств. Задачи тоже могут быть разными: повысить комфорт, сэкономить время или обеспечить безопасность..

Новинки / Производитель / Умный Дом и решения

Умный Дом в квартире-студии на EasyHomePLC, проект кабелей - «Умный Дом и решения»

  • Роза
  • 29-мар-2018, 20:53
  • 0 комментариев
  • 2 301 просмотров

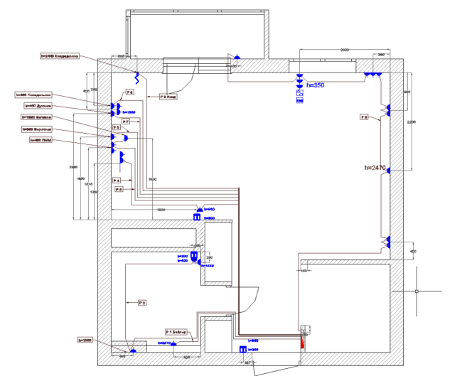
Продолжаем делать проект электрики и Умного Дома на контроллере EasyHomePLC для квартиры-студии площадью 40 квадратных метров.

Мы подготовили план квартиры и разместили на нём светильники, розетки, выключатели и термостаты тёплого пола.

Далее рисуем кабели.

Освещение

Для светильников монтируем силовой кабель 3х1.5 от щита до каждой группы света.

Каждая группа пронумерована с маркировкой С (свет).

Розетки

Розетки коммутируются кабелем 3х2.5. Питание в квартире однофазное, поэтому трёхфазных нагрузок нет.

Бойлер идёт отдельным кабелем для возможности его отключения. Также отдельной линией кондиционер.

Основные нагрузки сгруппированы на кухне. Отдельные кабели на: варочную поверхность, духовку, холодильник, розетки столешницы, посудомойку и вытяжку. Чтобы исключить возможность перегрузки по какой-либо из линий.

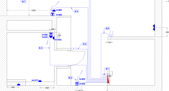
Выключатели

До выключателей монтируется кабель FTP. Под некоторыми выключателями находятся датчики температуры воздуха, а также влажности и температуры пола.

Жилы кабеля подключаются следующим образом:

жила 1 — 12 вольт питания датчика и питание выключателя

жила 2 — сигнал о нажатии клавиши №1 выключателя на контроллер

жила 3 — сигнал о нажатии клавиши №2 выключателя на контроллер

жила 4 — ноль питания датчика

жила 5 — сигнал 0-10В от датчика температуры воздуха

жила 6 — сигнал 0-10В от датчика температуры пола

жила 7 — сигнал 0-10В от датчика влажности

Обычно для двухклавишного выключателя в сочетании с датчиком воздуха рекомендуется прокладывать два кабеля FTP до выключателя, чтобы были резервные жилы. В данном случае одного кабеля везде хватит, если только нет возможности того, что где-то двухклавишный выключатель превратится впоследствии в 4-клавишный. Или не добавится подсветка клавиш выключателя, где лампочки управляются контроллером.

Здесь В3 не является выключателем, это кабель датчиков температуры воздуха, температуры пола и влажности воздуха. При желании можно будет туда поставить выключатель включения вытяжки, чтобы она управлялась вручную, а не по датчику влажности и таймеру.

Поскольку схема подключения тёплого пола и датчиков температуры пола не так проста на первый взгляд (и на второй тоже), нужна поясняющая схема с изображением того, как подключаются датчики температуры и тёплые полы.

Компьютерная сеть

Компьютерная сеть студии достаточно простая. Wi-Fi роутер можно разместить над силовым щитом (или где-то рядом с ним), не забыть затянуть витую пару из слаботочного щита на этаже, сделать отвод на двойную интернет-розетку. В квартире нет телевизора, но есть рабочее место, где может быть установлен стационарный компьютер и, возможно, файловый сервер.

Защита от протечек воды

Система антипротечки состоит из датчиков и кранов перекрывания.

Датчики протечки воды располагаются на полу в местах вероятной протечки. Датчик должен быть установлен таким образом, чтобы избежать случайного попадания воды на него при обычной эксплуатации. Отдельный кабель ES-04 от каждого датчика до контроллера. В местах установки датчика оставить запас кабеля по длине 1000 мм, чтобы можно было его подвигать после установки техники. Вывод кабеля для датчика производится из угла между стеной и полом. Датчики устанавливаются после установки мебели и техники, под которой они находятся. К датчику должен быть доступ.
Модель датчика — h2o-Контакт. Размещается на стене контактами вниз, расстояние от контактов до пола 2мм. Вывод кабеля на высоте 50мм от пола.

До кранов перекрывания воды монтируется один кабель ВВГнг-LS 5×0.75. Подключается к обоим кранам для перекрывания ввода воды в квартиру.

Электрокарнизы

До приводов электрокарнизов и экрана монтируем кабель 5х0.75, как и на краны перекрывания воды.

Прочее

В раздел Прочее попадают вытяжка санузла, кабели домофона, датчики движения для включения освещения в прихожей и гардеробной.

Также кабель для управления радиатором, HDMI кабель для проектора, кабель для установки ИК-передатчика для управления кондиционером.

План монтажа кабелей готов.

К щиту подходит всего 50 кабелей, силовых и слаботочных.

Далее будем рисовать щит и схему подключения элементов.

Продолжение — Часть 3, щит и схемы


Продолжаем делать проект электрики и Умного Дома на контроллере EasyHomePLC для квартиры-студии площадью 40 квадратных метров. Мы подготовили план квартиры и разместили на нём светильники, розетки, выключатели и термостаты тёплого пола. Далее рисуем кабели. Освещение Для светильников монтируем силовой кабель 3х1.5 от щита до каждой группы света. Каждая группа пронумерована с маркировкой С (свет). Розетки Розетки коммутируются кабелем 3х2.5. Питание в квартире однофазное, поэтому трёхфазных нагрузок нет. Бойлер идёт отдельным кабелем для возможности его отключения. Также отдельной линией кондиционер. Основные нагрузки сгруппированы на кухне. Отдельные кабели на: варочную поверхность, духовку, холодильник, розетки столешницы, посудомойку и вытяжку. Чтобы исключить возможность перегрузки по какой-либо из линий. Выключатели До выключателей монтируется кабель FTP. Под некоторыми выключателями находятся датчики температуры воздуха, а также влажности и температуры пола. Жилы кабеля подключаются следующим образом: жила 1 — 12 вольт питания датчика и питание выключателя жила 2 — сигнал о нажатии клавиши №1 выключателя на контроллер жила 3 — сигнал о нажатии клавиши №2 выключателя на контроллер жила 4 — ноль питания датчика жила 5 — сигнал 0-10В от датчика температуры воздуха жила 6 — сигнал 0-10В от датчика температуры пола жила 7 — сигнал 0-10В от датчика влажности Обычно для двухклавишного выключателя в сочетании с датчиком воздуха рекомендуется прокладывать два кабеля FTP до выключателя, чтобы были резервные жилы. В данном случае одного кабеля везде хватит, если только нет возможности того, что где-то двухклавишный выключатель превратится впоследствии в 4-клавишный. Или не добавится подсветка клавиш выключателя, где лампочки управляются контроллером. Здесь В3 не является выключателем, это кабель датчиков температуры воздуха, температуры пола и влажности воздуха. При желании можно будет туда поставить выключатель включения вытяжки, чтобы она управлялась вручную, а не по датчику влажности и таймеру. Поскольку схема подключения тёплого пола и датчиков температуры пола не так проста на первый взгляд (и на второй тоже), нужна поясняющая схема с изображением того, как подключаются датчики температуры и тёплые полы. Компьютерная сеть Компьютерная сеть студии достаточно простая. Wi-Fi роутер можно разместить над силовым щитом (или где-то рядом с ним), не забыть затянуть витую пару из слаботочного щита на этаже, сделать отвод на двойную интернет-розетку. В квартире нет телевизора, но есть рабочее место, где может быть установлен стационарный компьютер и, возможно, файловый сервер. Защита от протечек воды Система антипротечки состоит из датчиков и кранов перекрывания. Датчики протечки воды располагаются на полу в местах вероятной протечки. Датчик должен быть установлен таким образом, чтобы избежать случайного попадания воды на него при обычной эксплуатации. Отдельный кабель ES-04 от каждого датчика до контроллера. В местах установки датчика оставить запас кабеля по длине 1000 мм, чтобы можно было его подвигать после установки техники. Вывод кабеля для датчика производится из угла между стеной и полом. Датчики устанавливаются после установки мебели и техники, под которой они находятся. К датчику должен быть доступ. Модель датчика — h2o-Контакт. Размещается на стене контактами вниз, расстояние от контактов до пола 2мм. Вывод кабеля на высоте 50мм от пола. До кранов перекрывания воды монтируется один кабель ВВГнг-LS 5×0.75. Подключается к обоим кранам для перекрывания ввода воды в квартиру. Электрокарнизы До приводов электрокарнизов и экрана монтируем кабель 5х0.75, как и на краны перекрывания воды. Прочее В раздел Прочее попадают вытяжка санузла, кабели домофона, датчики движения для включения освещения в прихожей и гардеробной. Также кабель для управления радиатором, HDMI кабель для проектора, кабель для установки ИК-передатчика для управления кондиционером. План монтажа кабелей готов. К щиту подходит всего 50 кабелей, силовых и слаботочных. Далее будем рисовать щит и схему подключения элементов. Продолжение — Часть 3, щит и схемы

Цитирование статьи, картинки - фото скриншот - Rambler News Service.
Иллюстрация к статье - Яндекс. Картинки.
Есть вопросы. Напишите нам.
Общие правила  поведения на сайте.
Продолжаем делать проект электрики и Умного Дома на контроллере EasyHomePLC для квартиры-студии площадью 40 квадратных метров. Мы подготовили план квартиры и разместили на нём светильники, розетки, выключатели и термостаты тёплого пола. Далее рисуем кабели. Освещение Для светильников монтируем силовой кабель 3х1.5 от щита до каждой группы света. Каждая группа пронумерована с маркировкой С (свет). Розетки Розетки коммутируются кабелем 3х2.5. Питание в квартире однофазное, поэтому трёхфазных нагрузок нет. Бойлер идёт отдельным кабелем для возможности его отключения. Также отдельной линией кондиционер. Основные нагрузки сгруппированы на кухне. Отдельные кабели на: варочную поверхность, духовку, холодильник, розетки столешницы, посудомойку и вытяжку. Чтобы исключить возможность перегрузки по какой-либо из линий. Выключатели До выключателей монтируется кабель FTP. Под некоторыми выключателями находятся датчики температуры воздуха, а также влажности и температуры пола. Жилы кабеля подключаются следующим образом: жила 1 — 12 вольт питания датчика и питание выключателя жила 2 — сигнал о нажатии клавиши №1 выключателя на контроллер жила 3 — сигнал о нажатии клавиши №2 выключателя на контроллер жила 4 — ноль питания датчика жила 5 — сигнал 0-10В от датчика температуры воздуха жила 6 — сигнал 0-10В от датчика температуры пола жила 7 — сигнал 0-10В от датчика влажности Обычно для двухклавишного выключателя в сочетании с датчиком воздуха рекомендуется прокладывать два кабеля FTP до выключателя, чтобы были резервные жилы. В данном случае одного кабеля везде хватит, если только нет возможности того, что где-то двухклавишный выключатель превратится впоследствии в 4-клавишный. Или не добавится подсветка клавиш выключателя, где лампочки управляются контроллером. Здесь В3 не является выключателем, это кабель датчиков температуры воздуха, температуры пола и влажности воздуха. При желании можно будет туда поставить выключатель включения вытяжки, чтобы она управлялась вручную, а не по датчику влажности и таймеру. Поскольку схема подключения тёплого пола и датчиков температуры пола не так проста на первый взгляд (и на второй тоже), нужна поясняющая схема с изображением того, как подключаются датчики температуры и тёплые полы. Компьютерная сеть Компьютерная сеть студии достаточно простая. Wi-Fi роутер можно разместить над силовым щитом (или где-то рядом с ним), не забыть затянуть витую пару из слаботочного щита на этаже, сделать отвод на двойную интернет-розетку. В квартире нет телевизора, но есть рабочее место, где может быть установлен стационарный компьютер и, возможно, файловый сервер. Защита от протечек воды Система антипротечки состоит из датчиков и кранов перекрывания. Датчики протечки воды располагаются на полу в местах вероятной протечки. Датчик должен быть установлен таким образом, чтобы избежать случайного попадания воды на него при обычной эксплуатации. Отдельный кабель ES-04 от каждого датчика до контроллера. В местах установки датчика оставить запас кабеля по длине 1000 мм, чтобы можно было его подвигать после установки техники. Вывод кабеля для датчика производится из угла между стеной и полом. Датчики устанавливаются после установки мебели и техники, под которой они находятся. К датчику должен быть доступ. Модель датчика — h2o-Контакт. Размещается на стене контактами вниз, расстояние от контактов до пола 2мм. Вывод кабеля на высоте 50мм от пола. До кранов перекрывания воды монтируется один кабель ВВГнг-LS 5×0.75. Подключается к обоим кранам для перекрывания ввода воды в квартиру. Электрокарнизы До приводов электрокарнизов и экрана монтируем кабель 5х0.75, как и на краны перекрывания воды. Прочее В раздел Прочее попадают вытяжка санузла, кабели домофона, датчики движения для включения освещения в прихожей и гардеробной. Также кабель для управления радиатором, HDMI кабель для проектора, кабель для установки ИК-передатчика для управления кондиционером. План монтажа кабелей готов. К щиту подходит всего 50 кабелей, силовых и слаботочных. Далее будем рисовать щит и схему подключения элементов. Продолжение — Часть 3, щит и схемы


Комментарии (0)
img
Приложение Fibaro Home Center - «Умный Дом и решения»

Пришло письмо от Fibaro с предложением попробовать новое крутое приложение Fibaro Home Center. Все отличия, как я понял, только в интерфейсе, навряд

Категории сайта
Разное

Производитель и новинки производства

Это не только возможность управлять лампочкой со смартфона, а слаженная, незаметная для Вас, работа всех систем дома как инструментов в оркестре.

       
img
Производитель / Zigbee / Aqara / Новинки / Умные Решения
Aqara выпустила новый термостат с поддержкой Matter - «Умный Дом и решения»

Aqara выпустила термостат Thermostat Hub W200. Это первый термостат компании, который разработан для рынка Северной Америки. Устройство объединяет

img
Новинки / Умный Дом и решения / Производитель / Умная Лампочка / Бренд / Смарт.ТВ / Zigbee / СБЕР / Умные Решения / Умное Реле
Умный дом EKF: всё, что нужно для автоматизации и безопасности жилья - «Умный Дом и решения»

Сегодня мы расскажем вам об «Умном доме» бренда EKF. Раньше мы уже делали пару обзоров умных гаджетов этого бренда, но с тех пор у них появились

img
Производитель / Новинки / Умные Решения
Представлен Matter 1.5.1 для камер. Что нового? - «Умный Дом и решения»

Альянс стандартов подключения (CSA) выпустил небольшое обновление спецификации - Matter 1.5.1. Апдейт улучшает недавно представленные функции из

img
Новинки / Xiaomi / Смарт.ТВ / Производитель / Умный Дом и решения / Умные Решения
Xiaomi показала домашнюю камеру с 12-кратным зумом и функцией ночного видения - «Умный Дом и решения»

Компания Xiaomi представила новую камеру Smart Camera 4 Max AI Zoom Edition. По мнению разработчиков, устройство является самой продвинутой умной

img
Новинки / Бренд / Sprut.hub / Умный Дом и решения / Производитель / Смарт.ТВ
Обновление программного обеспечения Wirenboard wb-2602 - «Умный Дом и решения»

Кажется неинтересным просто переписывать новости разработки с сайта Wirenboard, но в этом обновлении столько классного, что я хотел бы это сделать.

img
Новинки / Смарт.ТВ / Xiaomi / Производитель / Умный Дом и решения / Умные Решения
Домашняя камера Smart Camera 4 Max AI Zoom Edition от Xiaomi выглядит просто потрясающе - «Умный Дом и решения»

Xiaomi представила новую камеру для домашнего видеонаблюдения — Smart Camera 4 Max AI Zoom Edition с функцией ночного зрения. Устройство выделяется

  • Ford
  • 3-04-2026, 11:05
  • 14
Top.Mail.Ru