Что изменилось в моём проектировании за полгода - «Умный Дом и решения»
- Kirk
- 02-янв-2024, 14:47
- 0 комментариев
- 2 433 просмотров
В мае 2023 я написал статью Что изменилось в моём проектировании за два года, в которой описал эволюционные изменения в моих проектах.
Там были некоторые улучшения оформления проекта и избавление от всяких «детских болезней» проектирования: нечёткая нумерация листов (номер на листе не всегда совпадает с номером листа в PDF файле), отсутствие даты актуальности на готовом проекте, недостаточно комментариев.
С тех пор прошло полгода, и я хочу рассказать об изменениях в моём проектировании за это время. Они направлены уже не столько на оформление, сколько на технические решения. Во многом это произошло благодаря тому, что я начал заниматься сборкой щитов, и понял многие вещи по удобству выполнения этой сборки и требуемым расходным материалам.
Раньше я в проектах всегда указывал кабель FTP 5E для шины RS485 (для Wirenboard) либо CAN (для Larnitech). Для небольших объектов этот кабель вполне подходит в этом качестве. К тому же, его легко купить.
Но я столкнулся с тем, что кабель обычно покупают сами строители. И покупают что подешевле. Что проще и быстрее купить. Может, с другого объекта осталось. Или взяли с заказчика за Hyperline, а купили noname.
По характеристикам же непонятно: витая пара, в экране, категории 5Е, бухта 305 метров, есть за 120 рублей метр, а есть за 15 рублей метр. Зачем брать за 120, когда есть за 15? А затем, что кабель за 15 рублей метр обламывается при подключении. Когда мы заводим жилы в датчик, там места нет вообще, поэтому приходится его коротко обрезать и крайне аккуратно подключать. Если жила обломилась — жилы больше нет. Так что работа получается ювелирная и с риском остаться без шины. Поэтому в проектах с датчиками Larnitech, в которых места внутри вообще нет (они очень маленькие, диаметр 40мм, высота 12мм) я рисую схему с подключением датчика в подрозетнике за ним: не очень красиво, зато надёжно и просто в обслуживании.
У тех, кто профессионально занимается именно системами Умный Дом таких проблем нет, потому что они осознают важность качества кабеля. Многие в качестве кабеля для любой шины используют кабель KNX 2x2x0.8 или специальный промышленный кабель для шины RS485 — дорого, зато надёжно.
На нескольких ответственных объектах для шины CAN я закладывал в проект кабель КПСВЭВ 2х2х0.5 — 4 жилы сечением по 0.5мм2, попарно перевиты, с экраном. Получается надёжно — жилы толстые, кабель жёсткий. Но подходит он только для Larnitech, для Wirenboard не подходит. Потому что в клеммниках Wago, используемых в модулях Larnitech, две группы контактов: для приходящего и для уходящего кабелей. Вот датчик температуры, влажности, освещённости, СО2, на клеммнике видно 8 отверстий.
Кабель КПСВЭВ очень надёжно входит в клеммники.
Но с датчиками и модулями Wirenboard такое не пройдёт — там везде только одна группа контактов, так что в каждую клемму два толстых кабеля не вставить никак. Тогда я нашёл многожильный кабель КСПЭВГ 2х2х0,35, который можно купить на сайте Wirenboard (можно и в другом месте, но здесь он по метрам, а не 100-метровыми бухтами).
Жилы этого кабеля обжимаются двойными наконечниками НШВИ 0.5 — получается очень надёжно. При использовании витой пары одна из двух жил, вставленных в одну клемму, может выскочить. А если жилы обжаты в наконечники-гильзы, уже никуда не выскочат. Вот так выглядит собранный щит:
Так что кабель для шины RS485 я в проект ставлю такой. В щите ещё поэкспериментирую с отдельными кабелями ПУГВ 0.5 чёрного и красного цвета для питания модулей, удобнее будет распределять питание.
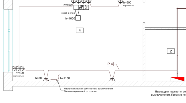
Раньше я был сторонником полного отсутствия монтажных коробок за потолком. То есть, для подключения розеток кабель от щита проходит последовательно через все розетки помещения. Все соединения только за розетками, всегда доступны. Получалось вот так:
Кабеля уходит много, так как к каждой розетке надо опуститься и подняться обратно на потолок (если кабель по потолку). Зато все соединения всегда можно обслужить. Проблемы с розетками — вынимаем розетки и ищем где именно. Если во всех блоках розеток подключение питающего кабеля сделано к левой розетке блока, то будет всё максимально понятно, легко обнаружить проблемный участок или подключение.
Но теперь я склоняюсь к тому, что лучше использовать коробки для розеток. Получается вот так:
Важно только, чтобы сечение кабелей, отходящих от коробки, соответствовало сечению кабеля от щита до коробки. То есть не надо думать «в этой розетке будет просто бра, протяну кабель 2х0.75». Потому что автомат в щите стоит на 16 ампер, значит, кабель должен быть везде сечения 2.5мм2 — хоть на бра, хоть на полотенцесушитель. Хотите использовать более тонкий кабель — ставьте соответствующий автомат на всю коробку или ведите отдельную линию от щита.
Также при подключении мелких настенных подсветок удобнее к проходным подсветкам выводить не два кабеля, а делать на потолке отвод и подводить к каждому светильнику один кабель. В настенных светильниках места для соединения перемычек обычно нет.
И настоятельно рекомендую зашивать потолки только после установки розеток. Чтобы можно было поставить розетки и убедиться, что они все работают, только после этого зашить кабели и коробки.
Конечно, ни в коем случае нельзя зашивать и оставлять необслуживаемыми блоки питания. Если хочется оставить за потолком — ставим люк для доступа.
Всё чаще для подключения освещения я в проекты закладываю кабели КГВВнг(А)-LS 3×0.75 вместо всем привычного ВВГнг(А)-LS 3×1.5. Во-первых, 3х0.75 тоньше, а значит, удобнее при заведении в щит и монтаже, во-вторых, он гибкий многожильный.
Такой кабель удобнее подключать к множеству мелких лампочек.
Такой кабель можно припаять прямо к светодиодной ленте.
Такой кабель удобнее использовать для всяких мелких подсветок.
Кабель многожильный, так что для подключения надо использовать наконечники-гильзы НШВИ 0.75, одинарные и двойные. Лучше брать НШВИ длиной не стандартные 8мм, а 10 или 12мм, они будут лучше вставляться в клеммники типа Wago. Ещё один плюс использования тонкого кабеля в том, что при подключении к проходной лампочке приходящую и уходящую жилу можно обжать в двойной наконечник и использовать клеммники Wago на меньшее количество отверстий. Заодно и соединение будет надёжнее.
Почему 3 жилы, а не две, если не требуется заземления светильника? Потому что может возникнуть необходимость разделить группу света на две, тут пригодиться третья жила. Или подключить за потолком что-то, что раньше не предполагалось подключать (сигнальный контакт вытяжки с таймером, дополнительная подсветка, привод шторы, какой-то датчик, требующий питания). Если важно, чтобы кабель был тоньше, можно использовать 2 жилы. Для светодиодной ленты, например.
Такой же кабель можно использовать для полотенцесушителя, домофона, вытяжки, подключать будет гораздо удобнее.
Разумеется, защищать кабель в щите нужно автоматом номиналом не более 6 ампер.
Конечно, для питания освещения с напряжением 12-48 вольт мощностью выше 2-3 ампер точно нужен более толстый кабель, его сечение будет зависеть от тока нагрузки и длины кабеля.
Есть светодиодные светильники, пусковой ток которых составляет до 20 номиналов светильника. Подключим на один кабель слишком много таких — будет выбивать 6-амперный автомат. Для таких групп следует предусмотреть кабель сечением 1.5 и автомат 10 ампер. Так что стоит предусматривать такое при проектировании кабелей. Хотя, конечно, такой большой пусковой ток является признаком низкого качества светильника.
У блоков питания светодиодных лент тоже достаточно большие пусковые токи. Подключать блок или несколько блоков общим номиналом больше 150 ватт на кабель сечением 0.75мм2 не стоит.
Неудобство для монтажников состоит в том, что в отличие от ВВГнг этот кабель сложнее найти, его не купить в любом строительном магазине. Но в проекте вообще используется много разных кабелей, которых нужно немного поискать. Кабель КГВВ можно заменить на МКШ.
Иногда мне заказчик пишет «монтажники говорят, что не знают такой кабель» или «монтажники не смогли найти». Ну что ж вы от меня хотите? Я заложил в проект несуществующий в природе кабель? Используйте ВВГнг 3х1.5, раз они только его знают. Я предлагаю более тонкий и гибкий кабель исключительно для удобства монтажников.
По многочисленным просьбам заказчиков, которые прочитали много статей блогеров-электриков, а также вследствие своей паранойи закладываю в спецификацию оборудования автоматы категории В. Они более чувствительные, чем С, раньше отключатся в случае проблемы.
Кабели продаются зачастую меньшего сечения, чем номинал, качество электроустановочных изделий и соединений в коробках не всегда идеальное. На всё это надо сделать поправку и немного перестраховаться. Особенно если у вас старая проводка. Особенно если есть причины не доверять качеству работы электрика.
Если какой-то автомат, на линию которого подключено много светодиодных светильников или электродвигатель, выбивает пусковым током, можно заменить его на категорию С либо придумать, как разгрузить (поставить другие лампы, разделить группу на две со своими автоматами, поставить ограничитель пускового тока). Но по умолчанию ставим В.
УЗО типа А детектируют утечку не только переменного, но и постоянного тока. Всё чаще они рекомендуются к установке везде. Категорию АС (только переменный ток) можно оставить на чисто резистивные нагрузки: тёплый пол, электрообогреватели, греющий кабель.
Если можно найти диффавтомат типа А на какую-то ответственную нагрузку, я его поставлю. Но если не найду, или он будет неоправданно дорогим — не буду, оставлю АС. Важно соблюсти баланс между паранойей и стоимостью.
Это не только возможность управлять лампочкой со смартфона, а слаженная, незаметная для Вас, работа всех систем дома как инструментов в оркестре.




