Принципиальная схема VS цоколёвка - «Умный Дом и решения» » Умный Дом и решения
Принципиальная схема VS цоколёвка - «Умный Дом и решения»
Что такое Умный дом — это система домашних устройств, связанных между собой и выполняющих действия по команде человека или даже без его участия, по расписанию или сигналу от датчика. Некоторые умные дома управляются через приложения и голосом через умные колонки, другие — с помощью отдельных устройств. Задачи тоже могут быть разными: повысить комфорт, сэкономить время или обеспечить безопасность..

Новинки / Бренд / Производитель

Принципиальная схема VS цоколёвка - «Умный Дом и решения»

  • Wilson
  • 13-мая-2022, 19:39
  • 0 комментариев
  • 2 427 просмотров

Когда мы имеем дело с Умным Домом, в проекте нужно показать, как ко всем модулям оборудования автоматики подключаются прочие устройства, и как эти модули подключаются между собой. Важно показать это наиболее понятным для того, кто читает этот чертёж образом.

Мне всегда интересно посмотреть, как разные проектировщики решают задачу донесения до схемы подключения модулей. А решают её все по-разному.

Принципиальная схема

Есть такая достаточно давно известная вещь как принципиальная схема. Если процитировать Википедию, в ГОСТ 2.701-2008 принципиальная схема определяется как «схема, определяющая полный состав элементов и связей между ними и, как правило, дающая детальное представление о принципах работы изделия».

Приведу пример принципиальной схемы подключения модуля Larnitech DW-HT07 (12 релейных выходов, 24 дискретных входа, входы датчиков 1-wire) из не моего проекта.

Не мой проект

Это достаточно удачное использование подобия однолинейной схемы электрики к нашему случаю, вполне можно понять, что куда подключается.

Я такую схему не использую. Мне она не нравится по следующим причинам:

  • Схема для всех модулей Larnitech в том проекте, откуда я сделал этот скриншот, занимает 9 страниц. Сложно анализировать использование всех модулей, хотелось бы видеть их в более компактном виде. А ведь здесь ещё не нарисовано подключение входных сигналов к модулям!
  • Сложно что-то править. В процессе согласования и последующих ремонтных работ всегда что-то меняется, в такую схемы сложно вносить изменения как проектировщику, так и монтажнику.
  • Можно было бы сильно добавить схеме выразительности, если бы провода были нарисованы тем цветом, которым они надписаны. Сейчас все провода одного красного цвета, идея поменять цвета, кажется, лежит на поверхности. Слаботочные кабели (для 24 вольт питания и шины CAN) тоже хочется показать другим цветом, не тем, что силовые.

Вот ещё один пример принципиальной схемы, это подключение модуля 18 реле Larnitech DW_LC18.

Не мой проект

Здесь немного по-другому. Нарисован модуль — это плюс. Не показаны жилы нейтрали — это минус. Не указан тип кабеля — тоже минус. Тип кабеля можно было надписать или сделать разные цвета для разных сечений.

В своих проектах я не делаю принципиальную схему подключения всех щитовых модулей, подобную показанным выше. Я использую для того, чтобы показать подключения между модулями, три вещи:

  • Цоколёвку в виде таблицы
  • Схемы сборки щита с некоторыми кабелями
  • Типовые схемы подключения элементов

Чуть подробнее про каждый пункт.

Цоколёвка в виде таблицы

Эту таблицу я делаю в Excel и прикладываю к проекту в этом же формате, чтобы заказчик или монтажник могли легко её править. Раз уж я начал использовать в качестве примера Larnitech, то вот таблица для его модулей реле, входов и диммера:

Цоколёвка из моего проекта

В левом верхнем углу — ID модуля, используется для его идентификации в интерфейсе настройки. У реле и диммеров есть входы и выходы. С автомата мы подаём питание на реле, а на его выход подключаем управляемое устройство, в данном примере, группы света.

Такую цоколёвку несложно делать, так как с таблицей в Excel работать проще, чем с чертежом. Легко считать входы и выходы, легко видеть свободные. Самое главное — легко вносить изменения в эту таблицу заказчику или монтажнику при установке, хоть прямо с телефона.

И на одном листе Excel помещаются все модули, сразу всё видно. Если модулей много, я создаю отдельные вкладки таблицы для разных шин или для входов и выходов.

Здесь же вписывается серийный номер устройства, чтобы его было проще найти.

Вот пример фрагмента цоколёвки для Wirenboard. Четвёртый столбец — входы модуля, пятый — входы реле, шестой — выходы реле. Если разбираться, что такое входы и выходы модуля, то всё становится понятно.

Цоколёвка из моего проекта

Схема щита

Схема щита — не просто расставленные в щите модули, а комментарии по монтажу, некоторые кабели между элементами, комментарии, назначение элементов.

Схема щита из моего проекта

Здесь на схеме щита видно соединение силовых кабелей между УЗО и автоматами, точки подключения от кросс-модуля (показаны коричневым и синим квадратами), назначения модулей.

Соединения между модулями Larnitech и автоматами-УЗО уже надо смотреть в цоколёвке. Чтобы какие-то изменения по подключению этих модулей требовали правки только таблицы цоколёвки.

В трёхфазных системах около точек подключения модульных элементов от кросс-модуля надписана фаза.

Типовые схемы подключения

«Типовые» означает, что на примере одного элемента показано, как подключать аналогичные.

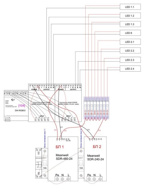
Вот самое типичное, схема подключения светодиодных лент, там всегда всё более-менее сложно:

Схема из моего проекта

Тут показано, как подключаются светодиодные ленты через предохранители и усилители.

Вот схема подключения элементов к модулю защиты от протечки воды:

Схема из моего проекта

Непростая штука — подключение датчиков дыма с НЗ выходом. Сложность в том, что у датчиков питание 12 вольт, и нужна возможность сбрасывать тревогу, кратковременно отключая питание.

Схема из моего проекта

Для того, чтобы показать соединение модулей между собой питанием и шиной, я рисую отдельную схему вот такого вида:

Схема из моего проекта

Состав листов почти не меняется в зависимости от выбранной системы умного дома: в проектах на Wirenboard, Larnitech или HDL всегда есть цоколёвка, типовые схемы и схема щита.

На мой взгляд, получается достаточно наглядно и понятно. Некоторое время занимает вникание в цоколёвку, но потом она начинает казаться удобной благодаря тому, что её легко править.


Когда мы имеем дело с Умным Домом, в проекте нужно показать, как ко всем модулям оборудования автоматики подключаются прочие устройства, и как эти модули подключаются между собой. Важно показать это наиболее понятным для того, кто читает этот чертёж образом. Мне всегда интересно посмотреть, как разные проектировщики решают задачу донесения до схемы подключения модулей. А решают её все по-разному. Принципиальная схема Есть такая достаточно давно известная вещь как принципиальная схема. Если процитировать Википедию, в ГОСТ 2.701-2008 принципиальная схема определяется как «схема, определяющая полный состав элементов и связей между ними и, как правило, дающая детальное представление о принципах работы изделия». Приведу пример принципиальной схемы подключения модуля Larnitech DW-HT07 (12 релейных выходов, 24 дискретных входа, входы датчиков 1-wire) из не моего проекта. Не мой проект Это достаточно удачное использование подобия однолинейной схемы электрики к нашему случаю, вполне можно понять, что куда подключается. Я такую схему не использую. Мне она не нравится по следующим причинам: Схема для всех модулей Larnitech в том проекте, откуда я сделал этот скриншот, занимает 9 страниц. Сложно анализировать использование всех модулей, хотелось бы видеть их в более компактном виде. А ведь здесь ещё не нарисовано подключение входных сигналов к модулям! Сложно что-то править. В процессе согласования и последующих ремонтных работ всегда что-то меняется, в такую схемы сложно вносить изменения как проектировщику, так и монтажнику. Можно было бы сильно добавить схеме выразительности, если бы провода были нарисованы тем цветом, которым они надписаны. Сейчас все провода одного красного цвета, идея поменять цвета, кажется, лежит на поверхности. Слаботочные кабели (для 24 вольт питания и шины CAN) тоже хочется показать другим цветом, не тем, что силовые. Вот ещё один пример принципиальной схемы, это подключение модуля 18 реле Larnitech DW_LC18. Не мой проект Здесь немного по-другому. Нарисован модуль — это плюс. Не показаны жилы нейтрали — это минус. Не указан тип кабеля — тоже минус. Тип кабеля можно было надписать или сделать разные цвета для разных сечений. В своих проектах я не делаю принципиальную схему подключения всех щитовых модулей, подобную показанным выше. Я использую для того, чтобы показать подключения между модулями, три вещи: Цоколёвку в виде таблицы Схемы сборки щита с некоторыми кабелями Типовые схемы подключения элементов Чуть подробнее про каждый пункт. Цоколёвка в виде таблицы Эту таблицу я делаю в Excel и прикладываю к проекту в этом же формате, чтобы заказчик или монтажник могли легко её править. Раз уж я начал использовать в качестве примера Larnitech, то вот таблица для его модулей реле, входов и диммера: Цоколёвка из моего проекта В левом верхнем углу — ID модуля, используется для его идентификации в интерфейсе настройки. У реле и диммеров есть входы и выходы. С автомата мы подаём питание на реле, а на его выход подключаем управляемое устройство, в данном примере, группы света. Такую цоколёвку несложно делать, так как с таблицей в Excel работать проще, чем с чертежом. Легко считать входы и выходы, легко видеть свободные. Самое главное — легко вносить изменения в эту таблицу заказчику или монтажнику при установке, хоть прямо с телефона. И на одном листе Excel помещаются все модули, сразу всё видно. Если модулей много, я создаю отдельные вкладки таблицы для разных шин или для входов и выходов. Здесь же вписывается серийный номер устройства, чтобы его было проще найти. Вот пример фрагмента цоколёвки для Wirenboard. Четвёртый столбец — входы модуля, пятый — входы реле, шестой — выходы реле. Если разбираться, что такое входы и выходы модуля, то всё становится понятно. Цоколёвка из моего проекта Схема щита Схема щита — не просто расставленные в щите модули, а комментарии по монтажу, некоторые кабели между элементами, комментарии, назначение элементов. Схема щита из моего проекта Здесь на схеме щита видно соединение силовых кабелей между УЗО и автоматами, точки подключения от кросс-модуля (показаны коричневым и синим квадратами), назначения модулей. Соединения между модулями Larnitech и автоматами-УЗО уже надо смотреть в цоколёвке. Чтобы какие-то изменения по подключению этих модулей требовали правки только таблицы цоколёвки. В трёхфазных системах около точек подключения модульных элементов от кросс-модуля надписана фаза. Типовые схемы подключения «Типовые» означает, что на примере одного элемента показано, как подключать аналогичные. Вот самое типичное, схема подключения светодиодных лент, там всегда всё более-менее сложно: Схема из моего проекта Тут показано, как подключаются светодиодные ленты через предохранители и усилители. Вот схема подключения элементов к модулю защиты от протечки воды: Схема из моего проекта Непростая штука — подключение датчиков дыма с НЗ выходом. Сложность в том, что у датчиков питание 12 вольт, и нужна возможность сбрасывать тревогу, кратковременно отключая питание. Схема из моего проекта Для того, чтобы показать соединение модулей между собой питанием и шиной, я рисую отдельную схему вот такого вида: Схема из моего проекта Состав листов почти не меняется в зависимости от выбранной системы умного дома: в проектах на Wirenboard, Larnitech или HDL всегда есть цоколёвка, типовые схемы и схема щита. На мой взгляд, получается достаточно наглядно и понятно. Некоторое время занимает вникание в цоколёвку, но потом она начинает казаться удобной благодаря тому, что её легко править.

Цитирование статьи, картинки - фото скриншот - Rambler News Service.
Иллюстрация к статье - Яндекс. Картинки.
Есть вопросы. Напишите нам.
Общие правила  поведения на сайте.
Когда мы имеем дело с Умным Домом, в проекте нужно показать, как ко всем модулям оборудования автоматики подключаются прочие устройства, и как эти модули подключаются между собой. Важно показать это наиболее понятным для того, кто читает этот чертёж образом. Мне всегда интересно посмотреть, как разные проектировщики решают задачу донесения до схемы подключения модулей. А решают её все по-разному. Принципиальная схема Есть такая достаточно давно известная вещь как принципиальная схема. Если процитировать Википедию, в ГОСТ 2.701-2008 принципиальная схема определяется как «схема, определяющая полный состав элементов и связей между ними и, как правило, дающая детальное представление о принципах работы изделия». Приведу пример принципиальной схемы подключения модуля Larnitech DW-HT07 (12 релейных выходов, 24 дискретных входа, входы датчиков 1-wire) из не моего проекта. Не мой проект Это достаточно удачное использование подобия однолинейной схемы электрики к нашему случаю, вполне можно понять, что куда подключается. Я такую схему не использую. Мне она не нравится по следующим причинам: Схема для всех модулей Larnitech в том проекте, откуда я сделал этот скриншот, занимает 9 страниц. Сложно анализировать использование всех модулей, хотелось бы видеть их в более компактном виде. А ведь здесь ещё не нарисовано подключение входных сигналов к модулям! Сложно что-то править. В процессе согласования и последующих ремонтных работ всегда что-то меняется, в такую схемы сложно вносить изменения как проектировщику, так и монтажнику. Можно было бы сильно добавить схеме выразительности, если бы провода были нарисованы тем цветом, которым они надписаны. Сейчас все провода одного красного цвета, идея поменять цвета, кажется, лежит на поверхности. Слаботочные кабели (для 24 вольт питания и шины CAN) тоже хочется показать другим цветом, не тем, что силовые. Вот ещё один пример принципиальной схемы, это подключение модуля 18 реле Larnitech DW_LC18. Не мой проект Здесь немного по-другому. Нарисован модуль — это плюс. Не показаны жилы нейтрали — это минус. Не указан тип кабеля — тоже минус. Тип кабеля можно было надписать или сделать разные цвета для разных сечений. В своих проектах я не делаю принципиальную схему подключения всех щитовых модулей, подобную показанным выше. Я использую для того, чтобы показать подключения между модулями, три вещи: Цоколёвку в виде таблицы Схемы сборки щита с некоторыми кабелями Типовые схемы подключения элементов Чуть подробнее про каждый пункт. Цоколёвка в виде таблицы Эту таблицу я делаю в Excel и прикладываю к проекту в этом же формате, чтобы заказчик или монтажник могли легко её править. Раз уж я начал использовать в качестве примера Larnitech, то вот таблица для его модулей реле, входов и диммера: Цоколёвка из моего проекта В левом верхнем углу — ID модуля, используется для его идентификации в интерфейсе настройки. У реле и диммеров есть входы и выходы. С автомата мы подаём питание на реле, а на его выход подключаем управляемое устройство, в данном примере, группы света. Такую цоколёвку несложно делать, так как с таблицей в Excel работать проще, чем с чертежом. Легко считать входы и выходы, легко видеть свободные. Самое главное — легко вносить изменения в эту таблицу заказчику или монтажнику при установке, хоть прямо с телефона. И на одном листе Excel помещаются все модули, сразу всё видно. Если модулей много, я создаю отдельные вкладки таблицы для разных шин или для входов и выходов. Здесь же вписывается серийный номер устройства, чтобы его было проще найти. Вот пример фрагмента цоколёвки для Wirenboard. Четвёртый столбец — входы модуля, пятый — входы реле, шестой — выходы реле. Если разбираться, что такое входы и выходы модуля, то всё становится понятно. Цоколёвка из моего проекта Схема щита Схема щита — не просто расставленные в щите модули, а комментарии по монтажу, некоторые кабели между элементами, комментарии, назначение элементов. Схема щита из моего проекта Здесь на схеме щита видно соединение силовых кабелей между УЗО и автоматами, точки подключения от кросс-модуля (показаны коричневым и синим квадратами), назначения модулей. Соединения между модулями Larnitech и автоматами-УЗО уже надо смотреть в цоколёвке. Чтобы какие-то изменения по подключению этих модулей требовали правки только таблицы цоколёвки. В трёхфазных системах около точек подключения модульных элементов от кросс-модуля надписана фаза. Типовые схемы подключения «Типовые» означает, что на примере одного элемента показано, как подключать аналогичные. Вот самое типичное, схема подключения светодиодных лент, там всегда всё более-менее сложно: Схема из моего проекта Тут показано, как подключаются светодиодные ленты через предохранители и усилители. Вот схема подключения элементов к модулю защиты от протечки воды: Схема из моего проекта Непростая штука — подключение датчиков дыма с НЗ выходом. Сложность в том, что у датчиков питание 12 вольт, и нужна возможность сбрасывать тревогу, кратковременно отключая питание. Схема из моего проекта Для того, чтобы показать соединение модулей между собой питанием и шиной, я рисую отдельную схему вот такого вида: Схема из моего проекта Состав листов почти не меняется в зависимости от выбранной системы умного дома: в проектах на Wirenboard, Larnitech или HDL всегда есть цоколёвка, типовые схемы и схема щита. На мой взгляд, получается достаточно наглядно и понятно. Некоторое время занимает вникание в цоколёвку, но потом она начинает казаться удобной благодаря тому, что её легко править.


Комментарии (0)
img
Салют, жизнь становится проще - «Умный Дом»

26 Июл Шторами умного дома Aqara теперь можно управлять через виртуальных ассистентов Салют. Дом становится удобнее и современнее. Сегодня мы

Категории сайта
Разное

Производитель и новинки производства

Это не только возможность управлять лампочкой со смартфона, а слаженная, незаметная для Вас, работа всех систем дома как инструментов в оркестре.

       
img
Производитель / Zigbee / Aqara / Новинки / Умные Решения
Aqara выпустила новый термостат с поддержкой Matter - «Умный Дом и решения»

Aqara выпустила термостат Thermostat Hub W200. Это первый термостат компании, который разработан для рынка Северной Америки. Устройство объединяет

img
Новинки / Умный Дом и решения / Производитель / Умная Лампочка / Бренд / Смарт.ТВ / Zigbee / СБЕР / Умные Решения / Умное Реле
Умный дом EKF: всё, что нужно для автоматизации и безопасности жилья - «Умный Дом и решения»

Сегодня мы расскажем вам об «Умном доме» бренда EKF. Раньше мы уже делали пару обзоров умных гаджетов этого бренда, но с тех пор у них появились

img
Производитель / Новинки / Умные Решения
Представлен Matter 1.5.1 для камер. Что нового? - «Умный Дом и решения»

Альянс стандартов подключения (CSA) выпустил небольшое обновление спецификации - Matter 1.5.1. Апдейт улучшает недавно представленные функции из

img
Новинки / Xiaomi / Смарт.ТВ / Производитель / Умный Дом и решения / Умные Решения
Xiaomi показала домашнюю камеру с 12-кратным зумом и функцией ночного видения - «Умный Дом и решения»

Компания Xiaomi представила новую камеру Smart Camera 4 Max AI Zoom Edition. По мнению разработчиков, устройство является самой продвинутой умной

img
Новинки / Бренд / Sprut.hub / Умный Дом и решения / Производитель / Смарт.ТВ
Обновление программного обеспечения Wirenboard wb-2602 - «Умный Дом и решения»

Кажется неинтересным просто переписывать новости разработки с сайта Wirenboard, но в этом обновлении столько классного, что я хотел бы это сделать.

img
Новинки / Смарт.ТВ / Xiaomi / Производитель / Умный Дом и решения / Умные Решения
Домашняя камера Smart Camera 4 Max AI Zoom Edition от Xiaomi выглядит просто потрясающе - «Умный Дом и решения»

Xiaomi представила новую камеру для домашнего видеонаблюдения — Smart Camera 4 Max AI Zoom Edition с функцией ночного зрения. Устройство выделяется

  • Ford
  • 3-04-2026, 11:05
  • 14
Top.Mail.Ru