Забавные условные обозначения в дизайн-проектах - «Умный Дом и решения»
- Давыд
- 22-июл-2017, 08:30
- 0 комментариев
- 2 389 просмотров
Есть интересный момент, связанный с тем, насколько по-разному дизайнеры в своих проектах обозначают одни и те же элементы. Иногда мне кажется, что каждый раз во время рисования дизайн-проекта дизайнер сидит и думает, как ему обозначить тот или иной элемент. Как рука пойдёт, так и нарисует.
Внимание! Я тут пишу не о том, что какие-то обозначения правильные, а какие-то неправильные. Фиг с ними, с ГОСТами, там действительно не найти общепринятых условных обозначений для многих нужных нам элементов. Главное, чтобы условные обозначения были интуитивно понятны в большинстве случаев. Если телевизионную розетку обозначить как квадрат с буквами ТВ, то это будет понятно. Если попытаться нарисовать прямо на иконке подобие антенны, то будет совсем не понятно. Ниже я привожу много примеров максимально непонятных условных обозначений, нарисованных совершенно наобум.
Например, вот самое распространенное (хоть и не ГОСТовское) обозначение розетки, с которым ни у кого проблем не возникает:
Цифра 2 означает, что розетка двойная. Иногда рисуют рядом два значка розетки, чтобы показать, что она двойная, мне такой вариант немного больше нравится, сам так рисую.
Вот более приближенное к стандартному обозначение:
Очень часто встречается обозначение розетки в виде «пятачка». Тоже можно понять.
А вот интернет-розетки и ТВ-розетки каждый придумывает как хочет. Много вариантов откровенно смешных. Самый простой вариант — надписать над розеткой RJ45, INT или LAN. 2LAN соответственно, двойная розетка.
Очень забавный вариант — вместо обозначения розетки написать просто @. А вместо ТВ розетки написать ТВ. Это плохо тем, что текст не выглядит как условное обозначение, не понять, сколько модулей занято.
Лучше вписать этот знак хотя бы в квадрат.
Такой вариант мне нравится больше всего. Повторяет то, как выглядят настоящие розетки.
Выключатели.
Тут вариантов меньше, обычно обозначения выключателей похожи на такие:
Вариант выключателей от дизайнеров розеток-пятачков:
По всем прочим элементам, таким как датчики протечки воды, движения, температуры, дыма, газа — все рисуют кто во что горазд. Если вид значка отражает его назначение или оно явно показано в легенде, то это уже хорошо и понятно.
Сегодня мне принесли дизайн-проект, в котором дизайнер, похоже, во-первых, никогда ранее не видел ни один проект, во-вторых, не может догадаться набрать в поисковике «обозначение розетки на плане». Ну а в-третьих, ему совершенно плевать на то, будет ли в его чертеже кому-то что-то понятно.
Вот перечень условных обозначений. Фантазии человеку точно не занимать.
Откуда взялось это обозначение выключателя, как перечёркнутых горизонтальных линий?
Что такое «антена»? Если это телевидение, то почему 2 гнезда?
Что за «вайфай» и почему два гнезда?
Чаще всего элементы (розетки и выключатели) обозначаются точно на своих местах на стенах, это получается красиво и аккуратно. Разумеется, рисуются не в реальном масштабе (со стороной 60мм), а в 2-3 раза крупнее, но всё равно всё понятно. Надо только рисовать аккуратно: розетки примыкают к стене, размерные линии и выноски показаны другим цветом, элементы не перекрывают друг друга. Вот неаккуратный вариант:
Получается нагромождение. И, разумеется, зубодробительный розовый, уж не знаю, из каких соображений. Видимо, любимый цвет. В таких проектах я перерисовываю заново все розетки и выключатели (и иногда свет), чтобы выглядело чисто и аккуратно.
Ещё раз: я говорю здесь не о том, что обозначения чётко должны соответствовать ГОСТ. Если вам нужны обозначения по ГОСТ, то их легко найти, сделав соответствующий запрос в поисковике (облегчу задачу задачу — смотрите здесь). Главное, чтобы чертёж был чётким и понятным. С этим у очень многих есть большие проблемы, люди никак не могут понять, как нарисовать так, чтобы было понятно. Получается вот такая ерунда:
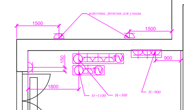
Ещё одна распространённая ошибка: розетки по 6, 7 и больше модулей. Не бывает таких рамок! Как можно дизайнеру этого не знать? А если выбрана определённая коллекция, в которой такие рамки есть, это следует указать в проекте. Вот здесь этот значок «i в кружочке» означает интернет-розетку.
И, кстати, я далёк от понимания того, что означают размеры вокруг этого блока розеток: 95 и 1210.
Кстати, «WF в кружочке» — это роутер Wi-Fi. Без какого-либо указания высоты его установки и того, какие для него нужны розетки. Хоть бы электрическую нарисовали.
Продолжим. Вот небольшая «батарея» розеток за телевизором:
В длинном блоке странные элементы слева — это одинарная и двойная интернет-розетки. Как же мы обозначим интернет-розетку? — думал дизайнер — Нарисуем линию, на ней прямоугольник, а на нём две палочки вверх. Для двойной розетки нарисуем два таких элемента один над другим.
Далее вот такой блок:
Как вы думаете, что такое красный квадрат? А что такое прямоугольник с зигзагом? Смотрим в условные обозначения.
Оказывается, что красный квадрат — это некий блок для зарядки Mac. Затрудняюсь сказать, что это такое. Как логично обозначить розетку USB? Может, нарисовать обычную розетку, а рядом приписать «USB»? Нет, мы возьмём наше странное обозначение интернет-розетки и пририсуем к ней третью палочку.
Чтобы не путали USB розетку с USB-C розеткой, её обозначили как прямоугольник с «зубами».
Даже обычную электрическую розетку обозначили так, что план розеток напоминает кладбище.
Следующий проект.
Тут особо не думали, нарисовали квадрат с буквами. В — выключатель, ВВ- двухклавишный выключатель. ВК — кнопочный выключатель. П — переключатель. Дальше веселее: Пер — перекрёстный переключатель. ПерПер нет, почему-то. Дальше ещё веселее:
Мне больше всех нравятся МВ, МП и МПер. Светорегулятор TRIAC для ленты RGBW — всё в одну кучу.
В этом же дизайн-проекте на одном листе нанесли сразу свет, розетки, выключатели, элеткровыводы и мебель. Получается мешашина линий и обозначений. Обозначения не помещаются на чертёж, поэтому сделаны выносками.
От такого нагромождения линий, мне кажется, у монтажника вскипит мозг, даже если на А2 чертёж распечатать.
Ещё немножко разных и интересных условных обозначений можно найти у меня в статье Ошибки в дизайн-проектах.
Вот ещё интересное обозначение интернет-розеток:
И в одинарной, и в двойной розетках нарисованы по два порта. Но у одинарной они квадратные, а у двойной круглые. А у HDMI просто чёрточка по диагонали. Это я сейчас так картинку увеличил, что видна разница между одинарной и двойной розетками, при печати на А4 её не видно вообще.
Это не только возможность управлять лампочкой со смартфона, а слаженная, незаметная для Вас, работа всех систем дома как инструментов в оркестре.










