Умное управление вытяжками санузлов - «Умный Дом и решения» » Умный Дом и решения
Умное управление вытяжками санузлов - «Умный Дом и решения»
Что такое Умный дом — это система домашних устройств, связанных между собой и выполняющих действия по команде человека или даже без его участия, по расписанию или сигналу от датчика. Некоторые умные дома управляются через приложения и голосом через умные колонки, другие — с помощью отдельных устройств. Задачи тоже могут быть разными: повысить комфорт, сэкономить время или обеспечить безопасность..

Новинки / Производитель / Смарт.ТВ / Бренд / Умное Реле

Умное управление вытяжками санузлов - «Умный Дом и решения»

  • Аглая
  • 12-июн-2017, 08:32
  • 0 комментариев
  • 2 379 просмотров

Как в обычной квартире или в доме происходит управление вытяжным вентилятором санузла. Речь идёт про простой вытяжной вентилятор как на картинке:

Умное управление вытяжками санузлов - «Умный Дом и решения»

Вариант 1 — самый простой

Вариант наиболее «глупый», но, тем не менее, очень часто встречается. Это просто отдельный выключатель. Причём, он может находиться вместе с выключателем света в санузле, за его пределами, рядом с дверью. Подразумевается, что, во-первых, человек обязательно ошибётся, включив вентилятор вместо света, и будет какое-то время не понимать, зачем же этот выключатель нужен. Уходя он выключит свет и, возможно, вентилятор тоже. Если выключит, то от него смысла не будет вообще, так как он не успеет вытянуть воздух санузла, а если нет, то вентилятор останется шуметь, пока кто-то другой его не выключит.

В общем, вариант дурацкий.

Вариант 2 — ещё проще

Что может быть ещё проще выключателя вытяжки? Включение вытяжки вместе со светом санузла. Имеет смысл в частопосещаемом общественном туалете, где вентилятор никому своей работой не мешает. В квартире это означает, что, во-первых, вентилятор будет каждый раз включаться и шуметь, во вторых, в большинстве случаев он будет включаться, когда он не нужен, в-третьих, выключаясь вместе со светом, он не будет выполнять своей функции, то есть, не успеет вытянуть воздух, чтобы он обновился из других помещений.

Вариант 3 — выключение с задержкой

Это эволюция варианта 2, причём достаточно существенная. Рассмотрим блоки управления вытяжным вентилятором компании Ноолайт (Белоруссия).

Блок БЗТ-300-СУ подключается к питанию 230В, вытяжному вентилятору (для управления им) и освещению санузла (для понимания того, когда он включается). Таймер включает вентилятор через 30 секунд после включения освещения и отключает вентилятор через 5 минут после выключения света. Уже неплохо. Если мы зашли меньше, чем на 30 секунд, то мы его и не услышим. А 5 минут работы будет вполне достаточно для проветривания.

Блок БЗТ-300-СУФ ещё круче. К нему не надо подключать лампу, у него встроенный фотоэлемент, который сам поймёт, когда включается свет. А время задержки включения и задержки выключения регулируется крутилками на блоке, как и чувствительность датчика освещённости. Блок стоит порядка 500 рублей, но сильно добавляет комфорта.

Вариант 4 — ручное включение + задержка выключения

Тут понадобится специальный вентилятор со встроенным таймером. Он, в среднем, дороже обычного примерно на 500 рублей. На стене надо разместить кнопку (моностабильный выключатель), нажатие на которую будет включать вентилятор на заданное время. То есть, мы можем сами включить вытяжку тогда, когда она нужна. Нужно заранее предусмотреть эту кнопку и нанести на неё какую-то понятную пиктограмму, зато вентилятор не будет шуметь, когда он не нужен.

Если взять чуть более продвинутый вентилятор с датчиком влажности, то он будет автоматически включаться при повышении влажности, то есть, когда кто-то пользуется душем.

У меня дома, кстати, реализован такой вариант. Он мне лично кажется удобнее всего.

Управление моторизированной заслонкой за вентилятором

За вентилятором вытяжки обычно ставится обратный клапан. Это простая механическая штука, которая пропускает воздух в одну сторону (в шахту) и не пропускает в другую (в дом). Выглядит примерно так:

По картинке видно, что справа налево воздух пойдёт, приподнимая шторки, а слева направо нет. Цель очевидна — чтобы воздух из соседских санузлов и кухонь не попадал к нам.

На одном из моих объектов (квартира) заказчик заявил, что не доверяет механическим клапанам, поэтому надо ставить заслонку с электроприводом, и не важно, сколько это будет стоить. В этом есть некий смысл, так как по картинке выше мы видим, что через щели воздух теоретически может попадать из вентшахты в квартиру. Такого не должно быть, поскольку в вентшахте давление воздуха меньше, но попадание возможно.

Чтобы воздух не попадал в квартиру никогда, ставим заслонку с сервоприводом, вот такую:

Когда над, мы поворачиваем заслонку и открываем воздуховод, когда не надо — закрываем, чтобы воздух не шёл. Мы можем подключить привод заслонки параллельно с вытяжным вентилятором и использовать пружинный привод заслонки. Это означает, что при отсутствии питания заслонка закрыта, а при его подаче привод заслонку открывает. Пружина возвращает заслонку в закрытое положение, когда привод не тянет её открыться.

Но тут есть проблема. Обычно при выключенном вентиляторе существует небольшой ток воздуха из санузла в вентшахту за счёт разницы давлений воздуха. Есть мы приложим к выключенному вентилятору клочок бумаги, он должен притянуться. За счёт этого осуществляется небольшой пассивный воздухообмен, и воздух не застаивается в санузле, да и вообще в квартире. При закрытой заслонке воздухообмен отсутствует вообще. Значит, нам надо обеспечить периодическое включение вытяжного вентилятора и открывание заслонки.

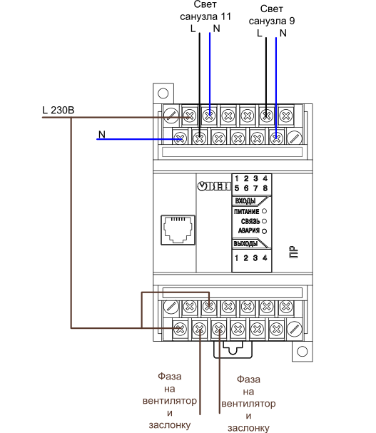
Используем для простоты (хотя какая уж тут простота) программируемое реле Овен ПР. Устанавливаем его в щит и подключаем по схеме:

Нам надо подтянуть к щиту свет санузлов и вентиляторы. А в реле через программу Owen Logic программируем следующее:

  • Через 60 секунд после включения света включаем вытяжной вентилятор. Если свет выключился в течение 60 секунд после включения, то не включаем вентилятор — этого условия мне на хватало с блоками Ноолайт.
  • Через 5 минут после выключения света выключаем вытяжной вентилятор.
  • Включаем вытяжные вентиляторы автоматически на 5 минут ежедневно в 10, 12, 14, 16, 18, 20 и 22 часа.

Было бы неплохо также сделать так, чтобы автоматическое включение вытяжки происходило только в случае того, что свет не включался в эти два часа. Но я пока не уверен, можно ли это запрограммировать через Owen Logic. Owen Logic оперирует логическими блоками типа И, ИЛИ, НЕ и более сложными, так что программировать там достаточно просто.


Как в обычной квартире или в доме происходит управление вытяжным вентилятором санузла. Речь идёт про простой вытяжной вентилятор как на картинке: Вариант 1 — самый простой Вариант наиболее «глупый», но, тем не менее, очень часто встречается. Это просто отдельный выключатель. Причём, он может находиться вместе с выключателем света в санузле, за его пределами, рядом с дверью. Подразумевается, что, во-первых, человек обязательно ошибётся, включив вентилятор вместо света, и будет какое-то время не понимать, зачем же этот выключатель нужен. Уходя он выключит свет и, возможно, вентилятор тоже. Если выключит, то от него смысла не будет вообще, так как он не успеет вытянуть воздух санузла, а если нет, то вентилятор останется шуметь, пока кто-то другой его не выключит. В общем, вариант дурацкий. Вариант 2 — ещё проще Что может быть ещё проще выключателя вытяжки? Включение вытяжки вместе со светом санузла. Имеет смысл в частопосещаемом общественном туалете, где вентилятор никому своей работой не мешает. В квартире это означает, что, во-первых, вентилятор будет каждый раз включаться и шуметь, во вторых, в большинстве случаев он будет включаться, когда он не нужен, в-третьих, выключаясь вместе со светом, он не будет выполнять своей функции, то есть, не успеет вытянуть воздух, чтобы он обновился из других помещений. Вариант 3 — выключение с задержкой Это эволюция варианта 2, причём достаточно существенная. Рассмотрим блоки управления вытяжным вентилятором компании Ноолайт (Белоруссия). Блок БЗТ-300-СУ подключается к питанию 230В, вытяжному вентилятору (для управления им) и освещению санузла (для понимания того, когда он включается). Таймер включает вентилятор через 30 секунд после включения освещения и отключает вентилятор через 5 минут после выключения света. Уже неплохо. Если мы зашли меньше, чем на 30 секунд, то мы его и не услышим. А 5 минут работы будет вполне достаточно для проветривания. Блок БЗТ-300-СУФ ещё круче. К нему не надо подключать лампу, у него встроенный фотоэлемент, который сам поймёт, когда включается свет. А время задержки включения и задержки выключения регулируется крутилками на блоке, как и чувствительность датчика освещённости. Блок стоит порядка 500 рублей, но сильно добавляет комфорта. Вариант 4 — ручное включение задержка выключения Тут понадобится специальный вентилятор со встроенным таймером. Он, в среднем, дороже обычного примерно на 500 рублей. На стене надо разместить кнопку (моностабильный выключатель), нажатие на которую будет включать вентилятор на заданное время. То есть, мы можем сами включить вытяжку тогда, когда она нужна. Нужно заранее предусмотреть эту кнопку и нанести на неё какую-то понятную пиктограмму, зато вентилятор не будет шуметь, когда он не нужен. Если взять чуть более продвинутый вентилятор с датчиком влажности, то он будет автоматически включаться при повышении влажности, то есть, когда кто-то пользуется душем. У меня дома, кстати, реализован такой вариант. Он мне лично кажется удобнее всего. Управление моторизированной заслонкой за вентилятором За вентилятором вытяжки обычно ставится обратный клапан. Это простая механическая штука, которая пропускает воздух в одну сторону (в шахту) и не пропускает в другую (в дом). Выглядит примерно так: По картинке видно, что справа налево воздух пойдёт, приподнимая шторки, а слева направо нет. Цель очевидна — чтобы воздух из соседских санузлов и кухонь не попадал к нам. На одном из моих объектов (квартира) заказчик заявил, что не доверяет механическим клапанам, поэтому надо ставить заслонку с электроприводом, и не важно, сколько это будет стоить. В этом есть некий смысл, так как по картинке выше мы видим, что через щели воздух теоретически может попадать из вентшахты в квартиру. Такого не должно быть, поскольку в вентшахте давление воздуха меньше, но попадание возможно. Чтобы воздух не попадал в квартиру никогда, ставим заслонку с сервоприводом, вот такую: Когда над, мы поворачиваем заслонку и открываем воздуховод, когда не надо — закрываем, чтобы воздух не шёл. Мы можем подключить привод заслонки параллельно с вытяжным вентилятором и использовать пружинный привод заслонки. Это означает, что при отсутствии питания заслонка закрыта, а при его подаче привод заслонку открывает. Пружина возвращает заслонку в закрытое положение, когда привод не тянет её открыться. Но тут есть проблема. Обычно при выключенном вентиляторе существует небольшой ток воздуха из санузла в вентшахту за счёт разницы давлений воздуха. Есть мы приложим к выключенному вентилятору клочок бумаги, он должен притянуться. За счёт этого осуществляется небольшой пассивный воздухообмен, и воздух не застаивается в санузле, да и вообще в квартире. При закрытой заслонке воздухообмен отсутствует вообще. Значит, нам надо обеспечить периодическое включение вытяжного вентилятора и открывание заслонки. Используем для простоты (хотя какая уж тут простота) программируемое реле Овен ПР. Устанавливаем его в щит и подключаем по схеме: Нам надо подтянуть к щиту свет санузлов и вентиляторы. А в реле через программу Owen Logic программируем следующее: Через 60 секунд после включения света включаем вытяжной вентилятор. Если свет выключился в течение 60 секунд после включения, то не включаем вентилятор — этого условия мне на хватало с блоками Ноолайт. Через 5 минут после выключения света выключаем вытяжной вентилятор. Включаем вытяжные вентиляторы автоматически на 5 минут ежедневно в 10, 12, 14, 16, 18, 20 и 22 часа. Было бы неплохо также сделать так, чтобы автоматическое включение вытяжки происходило только в случае того, что свет не включался в эти два часа. Но я пока не уверен, можно ли это запрограммировать через Owen Logic. Owen Logic оперирует логическими блоками типа И, ИЛИ, НЕ и более сложными, так что программировать там достаточно просто.

Цитирование статьи, картинки - фото скриншот - Rambler News Service.
Иллюстрация к статье - Яндекс. Картинки.
Есть вопросы. Напишите нам.
Общие правила  поведения на сайте.
Как в обычной квартире или в доме происходит управление вытяжным вентилятором санузла. Речь идёт про простой вытяжной вентилятор как на картинке: Вариант 1 — самый простой Вариант наиболее «глупый», но, тем не менее, очень часто встречается. Это просто отдельный выключатель. Причём, он может находиться вместе с выключателем света в санузле, за его пределами, рядом с дверью. Подразумевается, что, во-первых, человек обязательно ошибётся, включив вентилятор вместо света, и будет какое-то время не понимать, зачем же этот выключатель нужен. Уходя он выключит свет и, возможно, вентилятор тоже. Если выключит, то от него смысла не будет вообще, так как он не успеет вытянуть воздух санузла, а если нет, то вентилятор останется шуметь, пока кто-то другой его не выключит. В общем, вариант дурацкий. Вариант 2 — ещё проще Что может быть ещё проще выключателя вытяжки? Включение вытяжки вместе со светом санузла. Имеет смысл в частопосещаемом общественном туалете, где вентилятор никому своей работой не мешает. В квартире это означает, что, во-первых, вентилятор будет каждый раз включаться и шуметь, во вторых, в большинстве случаев он будет включаться, когда он не нужен, в-третьих, выключаясь вместе со светом, он не будет выполнять своей функции, то есть, не успеет вытянуть воздух, чтобы он обновился из других помещений. Вариант 3 — выключение с задержкой Это эволюция варианта 2, причём достаточно существенная. Рассмотрим блоки управления вытяжным вентилятором компании Ноолайт (Белоруссия). Блок БЗТ-300-СУ подключается к питанию 230В, вытяжному вентилятору (для управления им) и освещению санузла (для понимания того, когда он включается). Таймер включает вентилятор через 30 секунд после включения освещения и отключает вентилятор через 5 минут после выключения света. Уже неплохо. Если мы зашли меньше, чем на 30 секунд, то мы его и не услышим. А 5 минут работы будет вполне достаточно для проветривания. Блок БЗТ-300-СУФ ещё круче. К нему не надо подключать лампу, у него встроенный фотоэлемент, который сам поймёт, когда включается свет. А время задержки включения и задержки выключения регулируется крутилками на блоке, как и чувствительность датчика освещённости. Блок стоит порядка 500 рублей, но сильно добавляет комфорта. Вариант 4 — ручное включение задержка выключения Тут понадобится специальный вентилятор со встроенным таймером. Он, в среднем, дороже обычного примерно на 500 рублей. На стене надо разместить кнопку (моностабильный выключатель), нажатие на которую будет включать вентилятор на заданное время. То есть, мы можем сами включить вытяжку тогда, когда она нужна. Нужно заранее предусмотреть эту кнопку и нанести на неё какую-то понятную пиктограмму, зато вентилятор не будет шуметь, когда он не нужен. Если взять чуть более продвинутый вентилятор с датчиком влажности, то он будет автоматически включаться при повышении влажности, то есть, когда кто-то пользуется душем. У меня дома, кстати, реализован такой вариант. Он мне лично кажется удобнее всего. Управление моторизированной заслонкой за вентилятором За вентилятором вытяжки обычно ставится обратный клапан. Это простая механическая штука, которая пропускает воздух в одну сторону (в шахту) и не пропускает в другую (в дом). Выглядит примерно так: По картинке видно, что справа налево воздух пойдёт, приподнимая шторки, а слева направо нет. Цель очевидна — чтобы воздух из соседских санузлов и кухонь не попадал к нам. На одном из моих объектов (квартира) заказчик заявил, что не доверяет механическим клапанам, поэтому надо ставить заслонку с электроприводом, и не важно, сколько это будет стоить. В этом есть некий смысл, так как по картинке выше мы видим, что через щели воздух теоретически может попадать из вентшахты в квартиру. Такого не должно быть, поскольку в вентшахте давление воздуха меньше, но попадание возможно. Чтобы воздух не попадал в квартиру никогда, ставим заслонку с сервоприводом, вот такую: Когда над, мы поворачиваем заслонку и открываем воздуховод, когда не надо — закрываем, чтобы воздух не шёл. Мы можем подключить привод заслонки параллельно с вытяжным вентилятором и использовать пружинный привод заслонки. Это означает, что при отсутствии питания заслонка закрыта, а при его подаче привод заслонку открывает. Пружина возвращает заслонку в закрытое положение, когда привод не тянет её открыться. Но тут есть проблема. Обычно при выключенном вентиляторе существует небольшой ток воздуха из санузла в вентшахту за счёт разницы давлений воздуха. Есть мы приложим к выключенному вентилятору клочок бумаги, он должен притянуться. За счёт этого осуществляется небольшой пассивный воздухообмен, и воздух не застаивается в санузле, да и вообще в квартире. При закрытой заслонке воздухообмен отсутствует вообще. Значит, нам надо обеспечить периодическое включение вытяжного вентилятора и открывание заслонки. Используем для простоты (хотя какая уж тут простота) программируемое реле Овен ПР. Устанавливаем его в щит и подключаем по схеме: Нам надо подтянуть к щиту свет санузлов и вентиляторы. А в реле через программу Owen Logic программируем следующее: Через 60 секунд после включения света включаем вытяжной вентилятор. Если свет выключился в течение 60 секунд после включения, то не включаем вентилятор — этого условия мне на хватало с блоками Ноолайт. Через 5 минут после выключения света выключаем вытяжной вентилятор. Включаем вытяжные вентиляторы автоматически на 5 минут ежедневно в 10, 12, 14, 16, 18, 20 и 22 часа. Было бы неплохо также сделать так, чтобы автоматическое включение вытяжки происходило только в случае того, что свет не включался в эти два часа. Но я пока не уверен, можно ли это запрограммировать через Owen Logic. Owen Logic оперирует логическими блоками типа И, ИЛИ, НЕ и более сложными, так что программировать там достаточно просто.


Комментарии (0)
img
Термостат отопления Z-Wave Heltun HE-HT01 - «Умный Дом и решения»

Ко мне на обзор попал очень красивый термостат для управления системой отопления и тёплым полом Heltun HE-HT01, работающий по Z-Wave. Вот так он

Категории сайта
Разное

Производитель и новинки производства

Это не только возможность управлять лампочкой со смартфона, а слаженная, незаметная для Вас, работа всех систем дома как инструментов в оркестре.

       
img
Производитель / Zigbee / Aqara / Новинки / Умные Решения
Aqara выпустила новый термостат с поддержкой Matter - «Умный Дом и решения»

Aqara выпустила термостат Thermostat Hub W200. Это первый термостат компании, который разработан для рынка Северной Америки. Устройство объединяет

img
Новинки / Умный Дом и решения / Производитель / Умная Лампочка / Бренд / Смарт.ТВ / Zigbee / СБЕР / Умные Решения / Умное Реле
Умный дом EKF: всё, что нужно для автоматизации и безопасности жилья - «Умный Дом и решения»

Сегодня мы расскажем вам об «Умном доме» бренда EKF. Раньше мы уже делали пару обзоров умных гаджетов этого бренда, но с тех пор у них появились

img
Производитель / Новинки / Умные Решения
Представлен Matter 1.5.1 для камер. Что нового? - «Умный Дом и решения»

Альянс стандартов подключения (CSA) выпустил небольшое обновление спецификации - Matter 1.5.1. Апдейт улучшает недавно представленные функции из

img
Новинки / Xiaomi / Смарт.ТВ / Производитель / Умный Дом и решения / Умные Решения
Xiaomi показала домашнюю камеру с 12-кратным зумом и функцией ночного видения - «Умный Дом и решения»

Компания Xiaomi представила новую камеру Smart Camera 4 Max AI Zoom Edition. По мнению разработчиков, устройство является самой продвинутой умной

img
Новинки / Бренд / Sprut.hub / Умный Дом и решения / Производитель / Смарт.ТВ
Обновление программного обеспечения Wirenboard wb-2602 - «Умный Дом и решения»

Кажется неинтересным просто переписывать новости разработки с сайта Wirenboard, но в этом обновлении столько классного, что я хотел бы это сделать.

img
Новинки / Смарт.ТВ / Xiaomi / Производитель / Умный Дом и решения / Умные Решения
Домашняя камера Smart Camera 4 Max AI Zoom Edition от Xiaomi выглядит просто потрясающе - «Умный Дом и решения»

Xiaomi представила новую камеру для домашнего видеонаблюдения — Smart Camera 4 Max AI Zoom Edition с функцией ночного зрения. Устройство выделяется

  • Ford
  • 3-04-2026, 11:05
  • 14
Top.Mail.Ru